大家好!我是東莞PLC編程培訓學院智通課程顧問王老師,今天給大家分享:plc編程入門FX3U PLC輸入接線,怎樣才能學好PLC編程?PLC培訓哪里比較好?

一.plc編程入門中,PLC接線屬于一大難點,作為PLC輸入元器件可以分為無源開關,有源開關,脈沖型開關
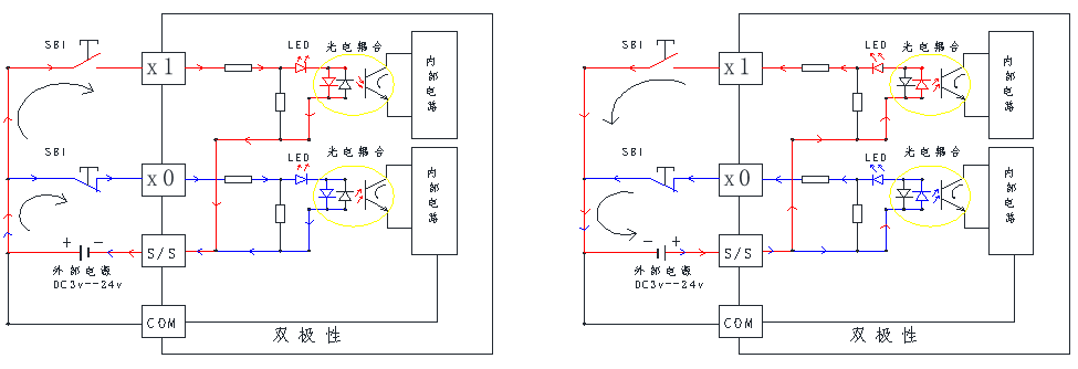
二.plc編程入門,PLC為防止各種信號干擾,PLC輸入電路采用RC濾波器來消除外部干擾,采用光電耦合電路進行電路隔離,光電耦合電路由發光二極管和光電三極管組成。當輸入電路因外部開關閉合形成回路后,光電耦合電路中的發光二極管發光使光電三級管飽和導通,光電三極管導通后給內部電路傳遞信號,此時該輸入點在PLC存儲器位狀態由0變為1。
1.作為PLC輸入電路有可以分為單極性輸入電路和雙極性輸入電路,單極性電路PLC輸入端只有COM,FX1和FX2系列的PLC屬于這種類型,接線規則是已規定好的,這樣接就可以了
2.雙極性電路PLC輸入端只有S/S公共端,而S/S端接+還是接-,又將雙極性電路分為漏型輸入電路和源性輸入電路,(S/S接-為源型輸入電路,S/S接+為漏型輸入電路)
比如:無源開關輸入接線可以接源型輸入電路,也可接漏型輸入電路;即S/S接+,或者S/S接-。plc編程入門FX3U PLC輸入接線的第一部分先分享到這里。
更多PLC資訊請添加顧問老師微信咨詢。
智通教育(http://www.cdhede.com.cn/)
聯系人:王老師
Call:177 2774 3712(可加微信)
課程隨到隨學,理論+實操,有全日制、周末班、晚班
電話微信隨時在線,歡迎聯系身邊有想了解的也歡迎介紹哦


掃碼立刻了解課程

