選擇智通 大品牌 有保障 值得信任
大家好!我是plc編程培訓專業培訓教育機構大朗智通培訓學校課程顧問王老師;今天給大家分享:三菱plc編程實際案例分析解讀-plc編程入門-東莞plc編程培訓-東莞電氣自動化培訓
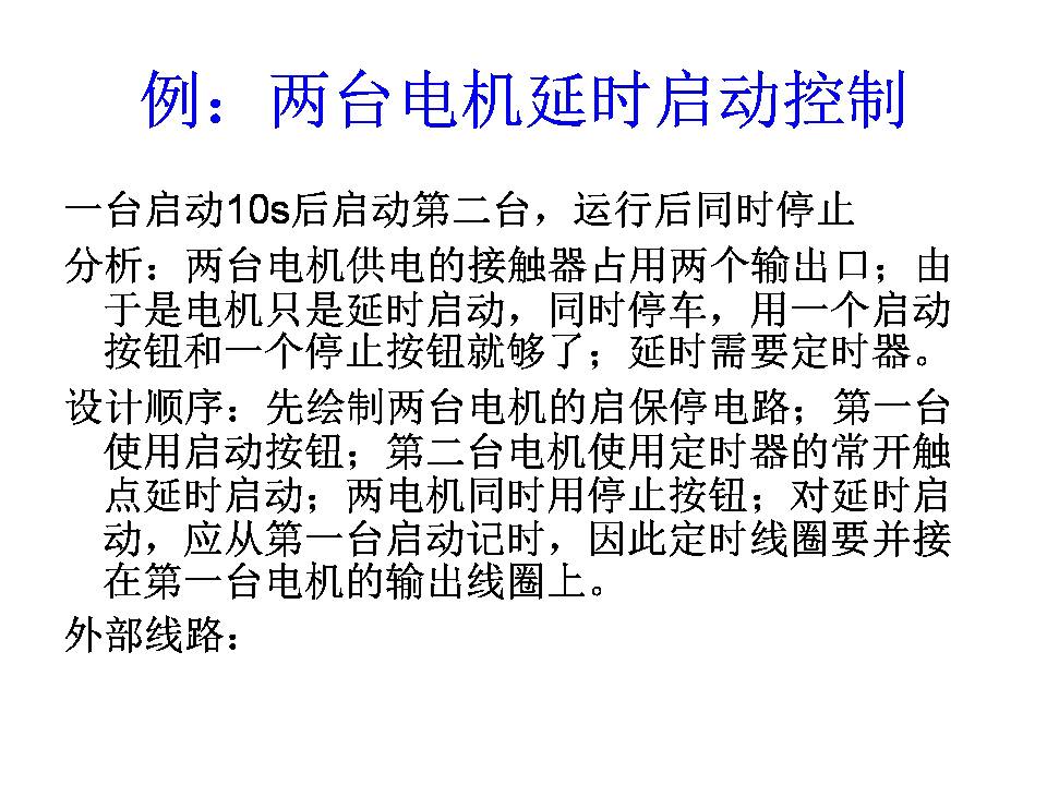
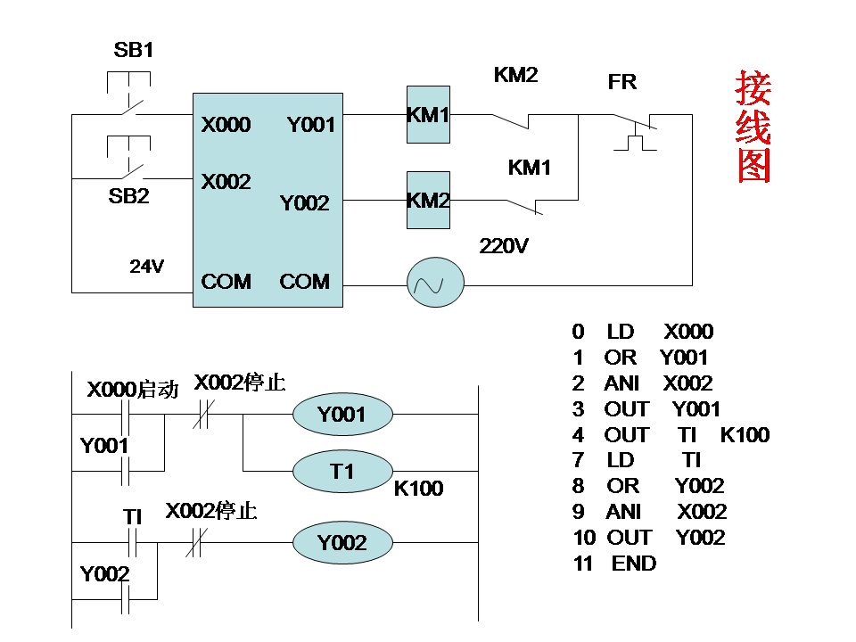
三菱plc編程實際案例分析解讀-plc編程入門-東莞plc編程培訓-東莞電氣自動化培訓
















































不清楚的話,可以隨時詢問上課老師的哦!
大朗智通培訓學校,無論你是有plc編程基礎還是沒有plc編程基礎的,可根據個人的知識定制化培訓與學習;大朗智通培訓學校專業plc編程培訓,更能享受到老師一對一的輔導與服務,想學plc編程就來大朗智通培訓學校找王老師咨詢了解
以上是關于:三菱plc編程實際案例分析解讀-plc編程入門-東莞plc編程培訓-東莞電氣自動化培訓問題,歡迎大家轉發和收藏,更多關于學習資訊請添加顧問老師微信或電話咨詢。
課程隨到隨學,理論+實操+項目案例+課程作業+老師現場輔導
有全日制、周末班、晚班(滾動開班,隨到隨學)
一經報名學會為止
課程項目:電工培訓考證(年審/換證)、PLC電氣自動化編程、機械設計(CAD soliworks)、工業機器人編程、教師資格證、學歷教育(大專/本科)、會計培訓考證、辦公軟件、電商、平面設計等等。


掃碼立刻了解課程

